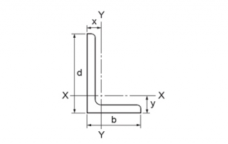
Single-Angle Members in Compression

As stated in the Commentary to S16-14, the slenderness expressions provided in Clause 13.3.3 for ‘Single-Angle Members in Compression’ are not intended for use in the calculation of compressive resistance of single angles used as diagonal braces in a braced frame. When single-angle braces are used in a braced frame, they typically serve as tension-only braces [...]

2017-04-03T12:57:08-04:00October 7th, 2016|Tags: |

Class 4 Sections in Axial Compression

Two methods are provided in CSA Standard S16-14, to determine the factored compressive resistance, Cr, for sections that exceed the width (or diameter)-to-thickness ratios specified in Table 1 of the S16-14. These are the effective area method and the effective yield stress method.   Effective Area Method   Engineers are generally familiar with the concept of [...]

2017-04-03T12:27:41-04:00June 21st, 2016|Tags: |

Bracing Design and Initial Misalignment

The bracing force, Pb, required to stabilize a laterally unsupported member is a function of several factors including the initial out-of-straightness or misalignment at the brace point, ΔO, and the displacement of the bracing system, Δb, according to S16-14 Clause 9.2.6.2:

2017-04-03T12:26:47-04:00May 27th, 2016|Tags: |

A Useful Engineering Tool to Quickly Calculate the Compressive Resistance of Compression Members

One of the many hidden gems within the CISC’s Handbook of Steel Construction is the Unit Factored Compressive Resistances, Cr/A tables in Part 4. These tables provide a quick and easy method of calculating the compressive resistances of compression members, such as columns or struts. Essentially, the tables list the unit factored compressive resistance, Cr/A (in [...]

2017-04-03T12:26:50-04:00May 18th, 2016|Tags: , |

Gerber-Girders

In the design of continuous beams and Gerber beams, one must not confuse the inflection points in the vertical bending moment diagram with the inflection points in the laterally buckled shape...

2017-04-03T12:24:26-04:00April 21st, 2016|Tags: , |

Flexural Buckling of Channel Sections

A common concern when checking flexural buckling of a channel section under axial load, is what radius of gyration should be used to calculate Fex and Fey? In S16-14 Clause 13.3.2, the elastic buckling stresses are given by: For singly-symmetric sections such as channels, the same clause specifies that the y-axis is taken as the axis [...]

2017-04-21T14:39:01-04:00April 21st, 2016|Tags: |
Go to Top