Welded Double Angle Beam Connection

For common knife‑edge simple beam shear connection as shown in the figure below, it appears that the shear resistance can be improved by welding across the top edge of the angles. However, beam shear connections must exhibit sufficient end rotation to allow the attainment of bending capacity of a simply supported beam, for example. Therefore, welding [...]

2017-04-21T14:40:26-04:00March 7th, 2017|Tags: , |

Minimum Size of Fillet Welds

The minimum size of a fillet weld as measured should comply with Table 4.4 of CSA W59-13, unless a larger size is required to provide the calculated weld resistance. The long-standing code provision for minimum fillet size aims to reduce the cooling rate. The presence of hydrogen and fast cooling are major contributing factors for cold [...]

2017-04-03T12:56:24-04:00August 26th, 2016|Tags: , |

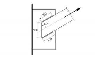
Designing Multi-Orientation Fillet Welds

Here is an example on how to apply the strength reduction factor, Mw for multi-orientation fillet welds. In the weld configuration shown in Figure 1, 8-millimetre fillet welds are used, Xu = 490 MPa and the plate is G40.21 350W steel. Note that the farside plate is thicker. In accordance with CSA S16-14 Clause 13.13.2.2:                Vr = [...]

2017-04-03T12:26:56-04:00May 6th, 2016|Tags: , |
Go to Top