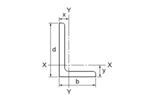
Pièces comprimées à une seule cornière

Comme cela est indiqué dans le Commentaire sur la norme S16-14, les expressions d'élancement prévues à la Clause 13.3.3 pour les « pièces comprimées à une seule cornière » ne sont pas destinées aux contreventements dans les cadres contreventés. Les contreventements à une seule cornière sont généralement utilisés comme contreventements en traction seulement en raison de [...]

2017-04-18T14:52:22-04:00October 7th, 2016|Tags: |

Poutres avec support de l’aile supérieure et sujettes à la compression

Les poutres à ailes larges des cadres contreventés sont soumises aux charges de gravité et aux charges axiales. La figure 1(a) illustre une poutre de toiture portant un tablier métallique et résistant à un effort de compression axial. La résistance à la compression peut être calculée afin de tenir compte du support latéral continu que le tablier [...]

2017-04-18T14:15:52-04:00July 11th, 2016|Tags: , |

Sections de Classe 4 en Compression Axiale

La norme CSA S16-14, fournit deux méthodes de calcul de la résistance pondérée à la compression, Cr, pour les sections dont le ratio largeur (ou diamètre)/épaisseur dépasse les ratios présentés dans le Tableau 1 de la norme S16-14. Il s’agit de la méthode de l’aire efficace et de la méthode de la limite d’élasticité effective.     Méthode de l’aire [...]

2017-04-18T14:12:55-04:00June 23rd, 2016|Tags: |

Calcul des Contreventements – Écart de Verticalité Initial

L’effort de contreventement Pb requis pour stabiliser un élément d’ossature sans soutien latéral dépend de plusieurs facteurs, notamment de l’écart de verticalité (défaut d’alignement) ΔO au point de contreventement, ainsi que de la déformation Δb du système de contreventement. Le paragraphe 9.2.6.2 de la norme CSA S16-F14 donne la formule suivante :

2017-04-18T14:07:33-04:00May 27th, 2016|Tags: |

Un Outil Pratique Pour Calculer la Résistance en Compression des Pièces Comprimées

Les tableaux des résistances pondérées unitaires en compression (ou Cr/A) présentés à la section 4 constituent un des nombreux trésors cachés du guide Handbook of Steel Construction de l’ICCA. Ces tableaux permettent de calculer facilement et rapidement les résistances en compression des pièces comprimées, comme les colonnes ou contrefiches. Ils fournissent une liste des résistances pondérées unitaires [...]

2017-04-18T14:06:18-04:00May 18th, 2016|Tags: , |

CCE – Un Système au Potentiel Illimité

La Zone Sismique - Avantage Acier Issue No. 50 Un système mis au point pour la résistance parasismique Les systèmes résistant aux forces horizontales ordinaires, comme les cadres rigides, les cadres à contreventements concentriques et les murs à effet de cisaillement sont généralement utilisés pour résister aux effets dus au vent et assurer la stabilité des édifices...

2017-04-18T11:54:39-04:00April 21st, 2016|Tags: , , |

Poutres du Système Gerber

Lors de la conception de poutres continues et de poutres du système Gerber, il ne faut pas confondre les points d’inflexion dans la courbe des moments fléchissants verticaux avec les points d’inflexion dans le flambement latéral....

2017-04-18T11:51:06-04:00April 21st, 2016|Tags: , |

Flambement de Flexion de Profilés

Pour vérifier le flambement de flexion d’un profilé soumis à une charge axiale, on se demande souvent quel rayon de giration utiliser pour calculer Fex et Fey? Selon S16-14, article 13.3.2, les contraintes de flambement élastique sont les suivantes: Pour les sections à simple symétrie tels que les profilés en C, le même article précise que [...]

2017-04-18T11:48:41-04:00April 21st, 2016|Tags: |
Go to Top