Skip to content
  • Login
  • Join Us
  • About
  • Courses
    • Courses
  • Publications
    • Publications
    • Advantage Steel
    • Revisions and Errata
  • Events / Competitions
    • Our Events
    • Canadian Steel Conference 2025
    • CISC Awards of Excellence in Steel Construction
    • Steel Competitions
      • Architectural Student Design Competition
      • Canadian National Steel Bridge Competition
    • CISC SteelWeek 2024
  • Contact
  • CSSBI
    • Visit CSSBI
    • Join the CISC / CSSBI
    • Login to CISC / CSSBI
  • Steel Store
  • English
CISC-ICCA Logo
  • Membership
    • Member and Associate Benefits
    • CISC’s Committees
    • Join the CISC / CSSBI
    • CISC / CSSBI Members & Associates Directory
  • Certification
    • CISC Quality Certification
    • CSSBI Steel Product Certification
    • CISC Steel Structures Certified Directory
    • CISC Steel Bridges Certified Directory
    • CSSBI Steel Product Certified Directory
    • CISC Accreditation
  • Resources
    • Why Steel
    • Solutions Centre
    • Steel Knowledge Blog
    • Codes and Standards
  • Sustainability
    • Sustainable Steel
    • CISC Steel EPDs
    • CISC Carbon Calculator
    • Case Studies
  • #SupportSteel
    • About
    • Programs
    • CISC Alfred F. Wong Lifetime Achievement Award
    • Scholarships
    • Research Grants
    • Partners
    • Education & Research Council
    • Donate & Support
    • Featured Stories
  • News
    • CISC Blog
    • U.S. Tariffs
    • Advantage Steel
  • Careers
    • Careers in the Steel Industry
    • Job Postings
    • Submit a Job Posting

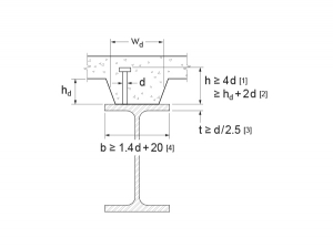
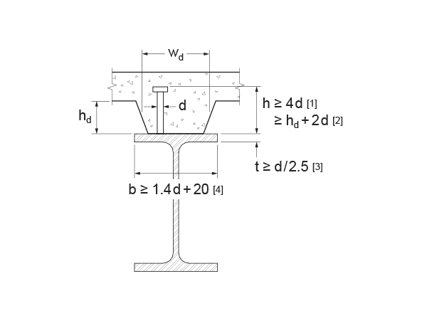
figure shear

CISCWebAdmin2017-05-31T12:33:23-04:00May 31st, 2017|

Share This Page, Choose Your Platform!

FacebookXRedditLinkedIn

 
  445 Apple Creek Blvd,
Suite 102, Markham, ON

Canada L3R 9X7
 
  (905) 604 3231

Sign-up for the Advantage Steel Magazine and other CISC Communications

Sign Up for The CISC Newsletter

FOLLOW THE CISC ON LINKEDIN

Our posts offer you updates, insights, news and steel centric information!

 
© Copyright 1996 - | Canadian Institute of Steel Construction. All rights reserved. | Privacy Policy | Terms of Use
LinkedInInstagramYouTubeFacebook
Page load link
Go to Top